Question
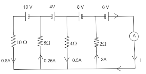
Question: Find \(i\) from the figure below. 
Solution
We will use Kirchhoff’s Current Law to find the value of i. At every node where current either concentrates or divert, the summation of current flowing inward or outward is equal to 0. By substituting values and using the nodes from the diagram we will find i in three steps.
Complete step by step answer:

From the given diagram we can find out i, firstly, at node A from the above figure using Kirchhoff’s Current Law we get that, 0.8 A current flows inward into the node A while 0.25 A and i1 current flows outward.So, the summation of current flowing inward is equal to outward flowing current.
0.8=0.25+i1 ⇒i1=0.55 A−−−−−(1)
Now, from node B using the same Kirchhoff’s Law of current we get, 0.5 A current and i1 current flows inward while i2 flows outward from the circuit.Substituting the value of i1 from equation (1) we get,
0.5+0.55=i2 ⇒i2=1.05 A−−−−(2)
Similarly, at node C we get to know that i2 and i flows inward into the node while 3 A flows outward the circuit,
i2+i=3
Substituting the value of i2 from equation (2) we get,
1.05+i=3 ⇒i=1.95 A
Thus, we had found out that i is equal to 1.95 A.
Note: Kirchhoff’s Law (KCL) states that the total amount of current flowing into the circuit is equal to the total amount of current flowing outward from the circuit. For such type of problems we can use the Loop Method also. Kirchhoff’s Voltage Law (KVL) states that the algebraic sum of all the voltages around a closed path is equal to 0. Mesh Method can also be implied here but it is not very effective here and will become clumsy.
