Question
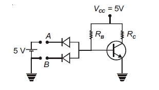
Question: Figure shows practical realization of logic gates. Identify the logic gate  NAND
(B) NOR
(C) XOR
(D) XNOR
Solution
We can assume the possible cases for point A and B, observe the output of the transistor for each case then match it with the truth table of the gates of NAND, NOR, XOR and XNOR options to get the answer.
Complete step by step answer:
As shown in the figure, point A and B can be at 0 (level 0) or 5V (level 1) with the help of battery.
There are four possible cases- when both A and B are earthed, when A is connected and B is earthed, when B is connected and A is earthed, when both A and B are connected to the battery.
Let us take a possibility - when A is connected to the positive terminal of the battery and B is earthed (A=1 and B=0) then the upper diode is reversed biased and the lower one is forward biased. Due to voltage difference the base current will flow. Hence current will flow in the collector region of the transistor and we will get an output as 1.
When both A and B are connected then diodes are off hence at the end of base resistance the potential will be zero. Hence, the transistor will be saturated, and the output will be 0.
If we check for the remaining two possibilities, we see that the truth table obtained is that of NAND gate.
Hence, the correct option is A. NAND
Note:
On observing carefully, we can see that NAND is nothing but the complement of AND gate. NAND is also known as a universal gate along with NOR as both these logic gates can be used to produce different gates.