Question
Question: Figure shows a DC voltage regulator circuit, with Zener diode of breakdown voltage\(=6V\). If the un...
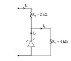
Figure shows a DC voltage regulator circuit, with Zener diode of breakdown voltage=6V. If the unregulated input voltage varies between10Vto16V, then what is the maximum zener current?

A. 2.5mA
B. 3.5mA
C. 7.5mA
D. 1.5mA
Solution
Hint: For calculating maximum zener current, we only need the help of Ohm’s law. At a rated voltage, we can find the value of zener current using load resistance value and applying the Ohm’s law.
Formula used:
V=IR
Complete step by step answer:
Zener diode is a kind of semiconductor diode in which a large value of current can flow at a critical reverse voltage. Zener diodes are widely used as voltage regulators and shunt regulators in order to regulate the voltage across small circuits. When reverse biased, zener diode conducts when the voltage reaches the diode’s reverse breakdown voltage. They are specially designed to work in reverse biased mode. The voltage across zener diode in reverse biased mode almost remains same and the zener current remains between the breakdown current, IZ(min) and maximum zener current IZ(max).
For calculating the value of and IZ(max), we need to apply Ohm’s law in the circuit.
Maximum current will flow from the zener diode if the input voltage is maximum.
When the zener diode works in breakdown state, voltage across zener remains the same.
That is,
VZ=6V
Current through 4KΩ resistor,
IL=40006=1.5mA
Now, input voltage is given as 16V
Potential across 2KΩ resistor,
VS=10V
Current through 2KΩ resistor,
IS=210=5mA
Now,
Total current in the circuit is 5mA
Current through the load is 1.5mA
Therefore,
Maximum current through zener diode is,
IZmax=5−1.5=3.5mA
Maximum zener current in the circuit is 3.5mA.
Hence, the correct option is B.
Additional information:
Zener breakdown or Zener effect occurs due to the presence of high electric field density across the depletion region. It breaks some of the covalent bonds leading to the release of a large number of minority carriers. Zener effect is predominant upto 5.6Vfor silicon diodes and has negative temperature coefficient.
Avalanche breakdown is different from zener breakdown. It is caused due to the collision between carriers. Minority carriers in the depletion region get accelerated by the reverse biased electric field. Avalanche breakdown is predominant above5.6V for silicon diodes and has positive temperature coefficient.
Note:
Students should keep in mind that in case of unregulated voltage supply, we take an instant of time where voltage is regulated and find the value of current through zener diode at that instant.
