Question
Question: Draw the diagram of induction coil and label the following: A) Primary coil. B) Make and break a...
Draw the diagram of induction coil and label the following:
A) Primary coil.
B) Make and break arrangement
Solution
Hint : An induction coil (also known as spark coil) is a kind of electrical transformer used to obtain high-voltage pulses from a low-voltage direct current supply. Induction coils work on the principle of mutual induction (change in the magnetic flux linked with the primary and the secondary coil).
Complete Step By Step Answer:

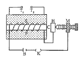
Here the part labelled as M is called the Make and break arrangement.
The function of the primary coil is to induce a voltage in the secondary coil; thus the primary coil behaves as an inductor by storing energy in the magnetic field. Notice in the diagram that the coil labelled as P is the primary coil and is connected to the battery giving direct current input.
Make and break arrangement generally refers to a magnetically activated vibrating arm. The make and break arrangement interrupts the primary current suddenly causing the magnetic field to collapse rapidly which in turn causes a high voltage pulse to be developed across the secondary terminals through electromagnetic induction. The parts marked with H and M in the diagram together form a complete make and break arrangement. Opposite potentials are induced in the secondary coil when the circuit is continually broken and connected by the arrangement.
Note :
Induction coils were the first electrical transformers and were used to provide high voltage for various purposes such as early gas discharge, voltage research and entertainment (lighting tubes for example). They were used to demonstrate the existence of electromagnetic waves and were widely used in industrial wireless telegraphy. A compact version of induction coils is used nowadays to produce sparks in internal combustion engines.
