Question
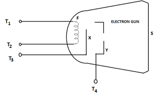
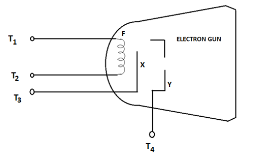
Question: Diagram shows an electric gun inside a cathode ray tube. Label the screen with the letter S 
Solution
Cathode ray tubes have been used in devices such as televisions and computer screens. A cathode ray tube has components such as electron gun,, focusing and accelerating anodes, vertical and horizontal deflection plates, evacuated glass envelopes and a screen of phosphorus layered coating for the display.
Complete answer:
Electron guns are the devices which are often used by cathode ray tube displays so as to create the light on a phosphor-coated glass screen. The electron gun generates a beam of electrons which is concentrated and targeted at the screen.
The beam can be deflected on all three axes by the image driver with the help of either a magnetic or an electric field, thus creating an image pattern on the screen. The image pattern is originally created because of the interference of the different waves. Electrons having a dual wave-particle nature can hence interfere as they are waves as well.
Electrons are being absorbed into the phosphorus layer which is at the screen, hence exiting the screen in order to emit photons which are the imaginary particles of light. In a cathode ray tube, the screen is present at the back of the tube, which is shown in the figure by the letter S.

Note: Deflection Yoke is used to control the direction of the electron beam. The yoke creates an electric or magnetic field which would bend the electron beam as it passes through the area. Phosphor glows when a high-energy electron beam hits upon them.Phosphorescence is the term which is used to characterize the light given off by a phosphor once it has been exposed to an electron beam.
