Question
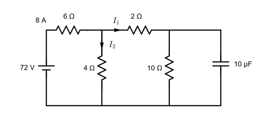
Question: Determine the charge on the capacitor in the given circuit: 
A. 2μF
B. 60μF
C. 200μF
D. 10μF
Solution
To solve this problem, first find the equivalent resistance of the circuit loop-by-loop. Using this obtained equivalent resistance and voltage of the cell, obtain the value of initial current. Then, use the current to find the potential difference across the 6Ω resistor. After flowing through the 6Ω resistor the current gets divided into I1 and I2. Find values of I1 and I2 using the initial current. Then, find the potential difference across 4Ω. Use the relationship between charge, potential difference and capacitance. Substitute the value of potential difference across R4 resistor and capacitance to find the charge on the capacitor. This will give the charge on the capacitor in the given circuit.
Formula used:
Req1=R11+R21+R31+…+RN1
V=IR
Q=CV
Complete answer:
Given: R1=6Ω
R2=4Ω
R3=2Ω
R4=10Ω
V=72V
C=10μF
Equivalent resistance is given by,
Req1=R11+R21+R31+…+RN1
Resistors R3 and R4 are in series. So, the equivalent resistance will be,
Req=R3+R4
Substituting the values in above equation we get,
Req=2+10
⇒Req=12Ω
So, now we can draw the above circuit as given below,

Now, in the above circuit, we can see Req and R2 are in parallel. So, we can write the equivalent resistance as,
Req11=Req1+R21
Substituting the values in above equation we get,
Req11=121+41
⇒Req11=124
Req1=3Ω
This Req1 is in series with R1. So. the equivalent resistance of the circuit becomes,
Req2=Req1+R1
Substituting the values in above equation we get,
Req2=6+3
⇒Req2=9Ω
According to Ohm’s law,
V=IR
Substituting the values in above equation we get,
72=I×9
⇒I=8A
Potential difference across 6Ω resistor is given by,
V0=V–IR
Substituting the values we get,
V0=72–(8×6)
⇒V0=72−48
⇒V0=24V

From, the figure above, we can infer that,
8=I1+I2 …(1)
I1=12+48×4
⇒I1=1632
⇒I1=2A
Substituting above value in equation. (1) we get,
8=2+I2
⇒I2=6A
Potential drop across R4 resistor is given by,
V1=I1×R4
Substituting the values in above equation we get,
V1=2×10
⇒V1=20V
We know, relationship between charge and capacitance is given by,
Q=CV
⇒Q=CV1
Substituting the values in above equation we get,
Q=10×10−6×20
⇒Q=200×10−6
⇒Q=200μF
Hence, the charge on the capacitor is 200μF.
So, the correct answer is “Option C”.
Note:
Students must take care while applying series and parallel formulas for calculating the resistances. Students should remember that the equivalent resistance of a combination is always less than the smallest resistance in the parallel network. As we add more resistors in the network, the total resistance of the circuit will always decrease. While, in a series network, the equivalent resistance of the network is greater than the value of the largest resistor in the chain. The current flowing through each parallel branch may not be the same. But the voltage across each resistor in a parallel network is always the same.
