Question
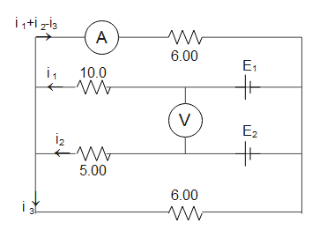
Question: Consider the following figure where \({E_1} = 8.4{\text{V}}\) and \({E_2} = 4.2{\text{V}}\). 
What are the expected reading of the ideal ammeter and voltmeter?
Solution
We are given a circuit consisting of resistors and two cells and we are required to find the reading of the ammeter which is the measure of the current flowing through the circuit and the reading of the voltmeter which is the measure of the potential difference between the two points where the voltmeter is connected.
Complete step by step answer:
Given E1=8.4V and E2=4.2V
To find the required values we need to label the current and the voltages across the resistors in the given diagram.

Applying Kirchhoff’s law in the upper loop we get
−10i1−6(i1+i2−i3)+8.4=0
⇒−16i1−6i2+6i3+8.4=0
Further simplifying the equation we get,
16i1−6i2−6i3=8.4−−−(1)
Applying Kirchhoff’s law in the middle loop we get
−5i2+10i1−4.2+8.4=0
⇒10i1−5i2=−4.2−−−(2)
And lastly applying Kirchhoff’s law in the bottom loop we get
−5i2−6i3+4.2=0
⇒5i2+6i3=4.2−−−(3)
Using the substitution method we will find the value of the variables
Firstly from equation (2), we get i2=510i1+4.2−−−(4)
And from equation (3) we get i3=6−5i2+4.2−−−(5)
Substituting the value in equation (1) we get
16i1−56(10i1+4.2)−66(−5i2+4.2)=8.4
Solving the equation we get
16i1−12i1−56×4.2+5(510i1+4.2)−4.2=8.4
⇒14i1=8.4+56×4.2
Making current the subject of the equation
i1=7067.2=0.96A
Substituting the above value in equation 4) we get
i2=510(7067.2)+4.2=2.76A
And substituting the value in equation 5) we get
i3=6−5(2.76)+4.2=−1.6A
Now the reading of the ammeter would be i1+i2−i3=5.32A.
The reading of the voltmeter would be 8.4−4.2=4.2V.
Note: We used Kirchhoff’s voltage law to find the relation between various currents and the potential difference in the different loops. According to Kirchhoff’s voltage law, the voltage around a loop equals the sum of every potential drop in the same loop for any closed network and also equals zero. And we also used Kirchhoff’s current law to determine the current through each branch and the law says that the total current entering a junction or node is equal to the total current leaving the node or junction.
