Question
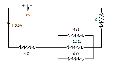
Question: Calculate the value of resistor \(X\). 
Solution
In order to solve this question you have to know the concept of Ohm's law which states that the potential difference across the two points is directly proportional to the current through a conductor between that two points. Also, in order to solve this you have to know the equivalent resistance of the resistors connected in series or parallel.
Formula used:
The voltage difference across two points is given by,
V=IR
Where, V is the voltage across two points
I is the current through the conductor
R is the resistance
Complete step by step solution:
Here, in this question we have given the voltage across the battery connected, which is given by,
V=8V
And also the current flowing in the circuit is given by,
I=0.5A
In the circuit we have given four resistances which are connected in series and parallel, we have to find the equivalent resistance of all the resistors connected
Firstly, find the equivalent resistance of the three resistors connected in parallel
We know that,
R′eq1=R11+R21+R31
On putting the values of all three resistors, we have
⇒R′eq1=41+121+61
On further solving
⇒Req′=2Ω
Now, this 2Ω is in series with 4Ω and X.
So, the total equivalent resistance is given by,
Req=4Ω+2Ω+X
⇒Req=(6+X)Ω
Now, applying the ohm’s law
According to ohm’s law, we know that the voltage difference across two points is given by,
V=IR
Where, V is the voltage across two points
I is the current through the conductor
R is the resistance
On putting all the values we have,
⇒8=0.5×(6+X)
From the above equation, we have to find the value of X
⇒8=3+0.5X
On further solving, we have
⇒X=10Ω
Therefore, the value of resistor X is 10Ω.
Note: The equivalent resistance of any circuit is the ratio of the potential difference across the circuit to the total current flowing through the battery or more appropriately the circuit. If the circuit has many resistors then their individual resistances are the ratios of the individual potential differences across them to the individual currents flowing through them.
