Question
Question: Calculate the equivalent resistance between X and Y. 
A) 1Ω
B) 2Ω
C) 3Ω
D) 4Ω
Solution
Equivalent resistance of two resistances connected in series combination is equal sum of individual resistances. Multiplicative inverse of equivalent resistance of two resistances connected in parallel combination is equal sum of multiplicative inverse of individual resistance. Here to find equivalent resistance between X and Y, we divide the complete circuit in parts and solve the parts and combine them again.
Complete step by step solution:
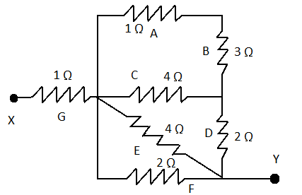
Given, RA=1Ω, RB=3Ω, RC=4Ω, RD=2Ω, RE=4Ω, RF=2Ω and RG=1Ω.
First, we take RA and RB, these are connected in series then their equivalent resistance is RAB=RA+RB=1+3=4Ω.
Now, resistance RAB and RC are connected in parallel and their equivalent resistance is RABC=RAB+RCRAB×RC=4+44×4=2Ω.
Now, RABC and RD are connected in series and their equivalent resistance is RABCD=RABC+RD=2+2=4Ω.
Now, resistance RABCD, RE and RF are connected in parallel combination and their equivalent resistance is RABCDEF=RABCD1+RE1+RF11=41+41+211=1Ω.
Finally, we have two resistance RABCDEF and RG connected in series and their equivalent resistance is REq=RABCDEF+RG=1+1=2Ω.
Hence equivalent resistance between X and Y is 2Ω and the correct answer is option B.
Note: For better understanding we can assume that after every step combination of resistances is replaced by their equivalent resistance. After all steps we find that there is only one resistance between X and Y and this resistance is equivalent resistance of all resistances.
