Question
Question: Calculate I for a given circuit. 
A. 10A
B. 5A
C. 2.5A
D. 20A
Solution
According to the ohms law the current flowing through a circuit is directly proportional to the voltage drop across the circuit. This proportionality is resolved by a proportionality constant R which represents the resistance of the circuit. The resistance is a linear property which remains constant in constant external conditions and depends on the internal factors such as area and the length of the material.
Complete step by step answer:
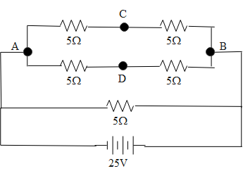
Wheatstone bridge is a circuit connection where 4 resistances are in rhombus type shape as shown in the circuit below,

The balance condition is when the ratio of resistance 1 and 2 is equal to the ratio of resistances 3 and 4 mathematically,
R2R1=R4R3
According to the principle of Wheatstone bridge, under balance conditions no current passes through the terminal C and D.
When we see the circuit given in the question we can conclude that one of the sections of the circuit is a balanced condition of Wheatstone bridge.
55=55=1
So, no current passes through the residence between terminals C and D.
The above circuit can be simplified as,

So the total resistance between points A and B is
R1=R1+R31+R2+R41
This is because resistance in series is given by the algebraic sum of the resistance in series. Mathematically,
R=r1+r2+...
So the resistance between the points A and B will be,
R1=5+51+5+51⇒R=210⇒R=5Ω
Terminal A and B are parallel to the resistance of 5Ω. So the total resistance of the circuit is given by
