Question
Question: An n-p-n transistor is connected in common emitter configuration in which collector supply is \[8V\]...
An n-p-n transistor is connected in common emitter configuration in which collector supply is 8Vand the voltage drop across the load resistance of 800Ω connected in the collector circuit is 0.8V. If current amplification factor is, 25, determine collector-emitter voltage and base current. If the internal resistance of the resistor is 200Ω. Calculate the voltage gain and power gain.
Solution
The transistor in which one p-type material is placed between two n-type materials is known as NPN transistor. The NPN transistor amplifies the weak signal entered into the base and produces strong amplified signals at the collector end. In NPN transistors, the direction of movement of an electron is from the emitter to collector region due to which the current constitutes in the transistor.
Complete step by step answer:
NPN Transistors are three-terminal, three-layer devices that can function as either amplifiers or electronic switches.Such type of transistor is mostly used in the circuit because their majority charge carriers are electrons which have high mobility as compared to holes.
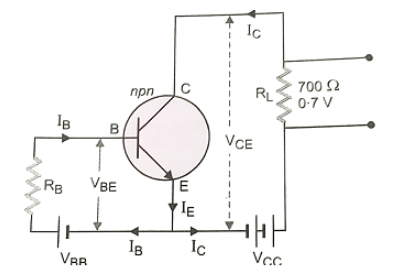
An n-p-n transistor amplifier circuit with common emitter mode is:

Here,
Voltage drop is the decrease of electrical potential along the path of a current flowing in an electrical circuit. Voltage drop across RL=V0=0.7V
Collector-emitter voltage,
VCE=VCC−VO=9−0.7=8.3V
Collector current is the ratio of voltage drop across the load resistance to the the load resistance.
Collector current IC= 7000.7=10−3ampere
Current gain α=IEIc
⇒IE=αIC
⇒IE=262510−3=2526×10−3
⇒IE=2526×10−3
Base current, IC=IE−IB
⇒IC=2526×10−3−10−3
⇒IC=251×10−3
⇒IC=0.04mA
⇒β=IBIC=(1/25)×10−3A10−3A=25
Here, the resistance of input circuit Ri=100Ω
Input voltage= Vi=Ri×IB=100×(0.04×10−3)
Vi=4×10−3V
Voltage gain,
∴AV=ViV0=4×10−30.7=175
Gain is a measure of the ability of a two-port circuit (often an amplifier) to increase the power or amplitude of a signal from the input to the output port by adding energy converted from some power supply to the signal.The power gain of an electrical network is the ratio of an output power to an input power.
Power gain AP=current gain x voltage gain
β×Av=25×175=4375
Hence,voltage gain is 175 and power gain is 4375.
Note: Sometimes students connect emitter base junction in reverse bias mode and collector base junction in forward bias and because of this they unable to obtain the current gain so always remember that emitter base junction must be in forward bias mode while the collector base junction is in reverse bias mode for proper amplification of a signal.The NPN transistor has two diodes connected back to back. The diode on the left side is called an emitter-base diode, and the diodes on the left side are called collector-base diodes.
