Question
Question: An altering voltage \(V=100sin\omega t\) is applied across an LCR circuit as shown. At the instant w...
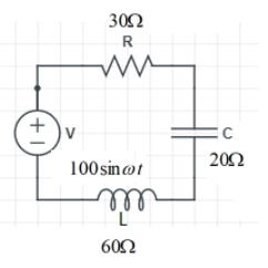
An altering voltage V=100sinωt is applied across an LCR circuit as shown. At the instant when voltage is drop across source is 503V, then at that instant

A. voltage drop across inductor is 120cos7∘V
B. voltage drop across capacitor is 40cos173∘V
C. voltage drop across resistor is 60cos7∘V
D. All of the above
Solution
A LCR circuit is where the inductor L , capacitance C and resistance R are connected to an AC source. Here the LCR is connected in series circuit. Then the phase difference between the current and the voltage is 90∘
Formula: cosϕ=ZR,i=ZVsin(ωt−ϕ)
Complete answer:
We know that the source of an AC circuit is sinusoidal. Then there is a phase difference between the voltage and current. If the phase difference between the current and voltage is zero, then both are said to be in phase, and if the phase difference is not equal to zero, then both are said to be out of phase.
Here, given that the input voltage V=100sinωt, L=XL=60Ω, R=30Ω and C=XC=20Ω
Given that at some instant t the voltage drop becomes V=503
Then, at some instant t, V=100sinωt=503
⟹sinωt=100503=23
But sin60=23
⟹ωt=60∘
Since the circuit is in series connection, we know that the current in the circuit remains the same, and then the current in the circuit is given as i=ZV
Where Z is the impedance of the circuit or the total resistance offered by the circuit, it is given asZ=R2+(XL−XC)2. Here XL,XC are the inductive reactance and the capacitive reactance.
Then substituting the values, we get, Z=302+(60−20)2=900+1600=2500=50
Also the phase difference cosϕ=ZR=5030=53
⟹ϕ=53∘
Here sinceXL>XC, we can say that the voltage leads current by ϕ
Then the current in the circuit i=ZVsin(ωt−ϕ)=50100sin(60−53)=2sin7∘
Then the potential drop across the resistor at t is given as,VR=iR=30×2sin7∘=60sin7∘, the voltage lags current by 90∘, then 60sin(90−7)=60cos7∘
In inductor, the voltage lags current by 90∘, then VI=iXL=60×2sin(90−7∘)=120cos(7∘)
Similarly, in the capacitor, the voltage lags current by 180∘, with respect to V, then VC=iXC=20×2sin(180−7∘)=40cos(173∘)
Thus the answer is option D. All of the above
Note:
Resonance is observed when RLC is connected in series; here there is no phase difference between the current and the voltage. For frequency less than the resonant frequency, the impedance is capacitive in nature and for frequency greater than the resonant frequency; the impedance is inductive in nature.
