Question
Question: An accumulator of emf 2V and negligible internal resistance is connected across a uniform wire of le...
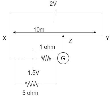
An accumulator of emf 2V and negligible internal resistance is connected across a uniform wire of length 10m and resistance 30Ω. The appropriate terminals of a cell of emf 1.5V and internal resistance 1Ω is connected to one end of the wire, and the other end of the cell is connected through a sensitive galvanometer to a slider on the wire. If the balancing changes when the cell of 1.5V is shunted with a resistance of 5Ω is 4xm. Find x.
Solution
Resistance is defined as the opposition offered to the flow of electrons in a current carrying conductor. Also the e.m.f. is the energy provided by a cell to the charge passing through it. When the electric potential decreases along the path following in a circuit, then there is voltage drop.
Complete step by step answer:
Step I:
Given that the cell is connected to a galvanometer, there will be a deflection when the galvanometer is made to slide on the wire.
Let the length of the wire XY is =x such that the current I flowing through that part of the wire is zero and the galvanometer shows a zero deflection. That is
Ig=0
Also voltage drop on the balancing length is given in accordance to Ohm’s Law,
V=IR
Here ρ is the resistance
So, V=Iρx

Step II:
When there is no current in the wire and galvanometer shows zero deflection, then
Voltage across the circuit = Voltage across the part of wire XZ
Let ρ be the resistance of the wire.
Since only two resistances are in parallel along the part of the wire XZ. The equivalent resistance in a parallel circuit is the reciprocal of the sum of individual resistances and is given by
Req1=R11+R21
On substituting the corresponding values,
⇒Req1=(11+51)
⇒Req1=56
Step III:
Also the resultant e.m.f is given by
Eeq=Req1r1E1+r2E2
Substituting the values and solving,
⇒Eeq=5611.5+50
On simplifications,
⇒Eeq=45volt
Step IV:
Let y is the length of the wire that is to be calculated when slider is moved and when the galvanometer shows zero deflection,
⇒45=32×1030×y
On simplification,
⇒y=425m
On further simplification,
⇒x=25m
The length of x is 25m.
Note:
It is important to note that the terms e.m.f and voltage are different. When external forces work to move a charge from one point to another then the voltage produced is represented by e.m.f. But the voltage denotes the potential difference across two points.
