Question
Question: A short bar magnet is placed in a horizontal plane with its axis in the magnitude meridian. Null poi...
A short bar magnet is placed in a horizontal plane with its axis in the magnitude meridian. Null points are found on its equatorial line at 12.5cm from the center of the magnet. The earth’s magnetic field at the place is 0.38G and the angle of dip is zero.
(i)What is the total magnetic field at points on the axis of the magnet located at the same distance (12.5) from the center?
(ii) Locate the null points when the magnet is turned around by 180∘
Solution
The pole strength and distance between the two poles are dependent on the product. Here The distance between a magnetics two poles then we know the equatorial line point value, the magnet center and also the magnetic field angle, so we can solve the above two statements.
Useful formula:
Magnetic field on the normal bisector at a distance,
r from the center is given by Be=−4πμ0r3M
Where,
Be at axial point,
M is a magnetic dipole,
μ0 is a null point
Complete step by step solution:
Given by,
Equatorial line at 12.5cm
Magnetic field at the place is 0.38G

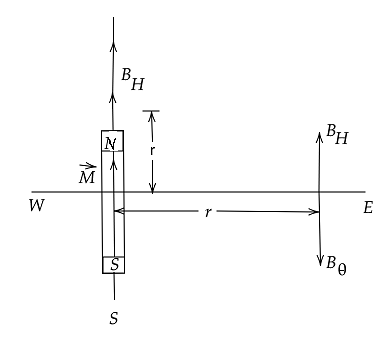
Figure A
It is known that when the magnet's north and south poles face magnetic north and south respectively, null points are obtained on the usual bisector.
At a distance, the magnetic field on the standard bisector r from the center is given by Be=−4πμ0r3M
Provided r is much greater than the length of the magnet.
At a null point,
This field is balanced by the earth’s field.
So,
Be=BH,
4πμ0r3M=0.38×104…………… (1)
Since the dip angle (S) is zero,
Here,
Therefore,
Bv=0
The horizontal part of the field of the earth equals the field itself.
Next,
Magnetic field due to a magnet at a distant point on its axis r from the center is given by
Ba=4πμ0r32M………………………….(2)
This is much larger than the length of the magnet r given.
Then,
The above equation only applies strictly to a point dipole from fig A
It is apparent that on the axis, this field adds up to the field of the planet,

Figure B
Thus, the total field at a point on the axis has a magnitude equal to Ba+BH
4πμ0r32M+0.38×104…………..(3)
According to the M
Which is parallel to the field of the earth in case A
Thus, the same distance on the axis as the null point distance, the total area, using the same distance on the axis as the null point distance.
Equation (1) and (3)
We get,
2×0.38×10−4+0.38×10−4
On simplifying,
3×0.38×10−4
Again solving,
1.14×10−4tesla
This field is directed along M.
Hence,
We did not require that given value of 12.5cm for the null point distance, except in so far that this was assumed to be much greater than the length of the magnet.
(ii)
When the bar I turned around by 180∘,the magnetic north and south poles face magnetic south and north respectively.
In this case,
M is antiparallel to the earth’s field. From fig B
It is clear that the null point now lies on the axis of the magnet at a distance r′ given by,
Ba′=BH or 4πμ0r′32M=0.38×104……………(4)
Comparing equation (4) and (1),
We get,
r′32=r31 or r′3=2r3
Here,
The value of r=12.5cm , r′=15.7cm
Note: In the anticlockwise direction, the electrons revolve while the current spins in the clockwise direction. This electron motion produces a south pole and a north pole, resulting in the action of the atom as a magnetic dipole. Most elementary particles operate as magnetic dipoles inherently.
