Question
Question: A rod of length \({\text{6m}}\) has specific gravity \(\rho \left( { = 25/36} \right)\) . One end of...
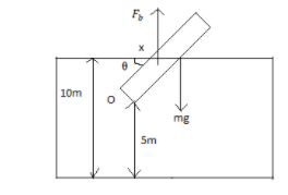
A rod of length 6m has specific gravity ρ(=25/36) . One end of the rod is tied to a 5m long rope, which in turn is tied to the floor of a pool 10m deep, as shown. Find the length (inm) of the rod which is out of water.

Solution
Buoyant force or upthrust is an upward force exerted by a fluid that opposes the weight of a particular or fully immersed object. The center of buoyancy of an object is the centroid of the displaced volume of fluid.
Complete Step by step solution:
Given that, there is a rod having a length of 6m which is having a specific gravity of ρ(=25/36) and one end of the rod is tied to a 5m long rope and the rope is tied to the floor of a poll which is 10m deep. We have to find the length of the rod which is out of the water.
As we know for floating conditions the weight which is acting vertically downward must be equal to force of upthrust.
Fb is a center of buoyancy force acting on the middle of the rod.
mg is a force acting at 1g at l/2 of the rod

With the help of the above figure let’s try to solve the problem.
Now, let’s see how to calculate buoyant force on the rod:
Fb is the weight of the water displaced
=ρAc(5/sinθ)g
And on solving it we get
⇒mg=ρAc×6g
As, now according to the rotational equilibrium the net moment at point O must be zero for that rotation along clockwise must be equal to rotation along anti clock direction.
Total clockwise moment= total anticlockwise moment
Total clockwise moment
⇒mg×3cosθ=ρAc×6g×3cosθ , and we will name it equation 1
Total anti- clockwise moment =ρwAc(5/sinθ)g×OAcosθ
mg=ρwAc(5/sinθ)g×(5/2sinθ)cosθ , and we will name it equation 2
Now, by equation 1and2 , we get
⇒ρwAc(5/sinθ)g×(5/2sinθ)cosθ=ρAc×6g×3cosθ
And on solving it further we get
⇒sin2θ=(25/36)×(ρw/ρ)
And the value for the theta will be equal to,
⇒θ=90∘
Therefore, the length of the rod outside the water is 1m .
Note: Remember this process along with Archimedes principle and its application like buoyancy force (upthrust) formula which will make it easier to solve problems like these in future.
