Question
Question: A diode is connected to 220V (rms) AC in series with a capacitor as shown in figure. The voltage acr...
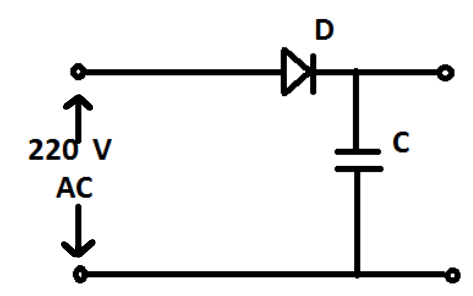
A diode is connected to 220V (rms) AC in series with a capacitor as shown in figure. The voltage across the capacitor is

(A) 220V
(B) 110V
(C) 311.1V
(D) 2220V
Solution
Hint : A single diode can be either forward biased or reversed biased in a cycle of an alternating current. Hence a single diode forms a half wave rectifier. The voltage across the capacitor would be equal to the highest voltage of the battery in forward biased, while it will be zero in reverse biased.
Complete Step By Step Answer:
As shown in figure, the diode D is connected to a capacitor C. The root mean squared value of the voltage is given as 220V. Now, we know the relation between the rms value of voltage with respect to original voltage as below:
V(rms)=2V0
Thus, the initial voltage is given as follows:
V0=2202 V
Now, the current through the battery is alternating current (AC). Thus, during the first cycle of the current, the diode will be forward biased and there will be an open circuit, the current would flow and the voltage would be equal to the original voltage. When the other cycle of the current starts, then the diode will become reverse biased, hence it will become an open circuit and no current would flow through the capacitor, because of which there won’t be any voltage across the capacitor. Thus, a half wave rectifier cycle is formed, whose voltage would be given as follows:
Vc=2V0=22202=2220
Here, VC is the voltage across the capacitor.
Hence, option (D) is the correct answer.
Note :
If there were two diodes in the system at two ends of the capacitor in opposite directions, then during a cycle, at least one of the diodes would be forward biased and hence current will flow in both the cycles. This system is called full wave rectifier cycle and the voltage across the capacitor would be equal to the voltage of the battery.
