Question
Question: A capacitor of capacitance \[{C_0}\] is charged to a potential \[{V_0}\] and is connected with anoth...
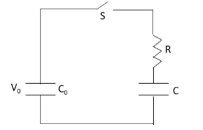
A capacitor of capacitance C0 is charged to a potential V0 and is connected with another capacitor of capacitance C as shown. After closing the switch S, the common potential across the two capacitors becomes V. The capacitance C is given by

A. V0C0(V0−V)
B. V0C0(V−V0)
C. VC0(V+V0)
D. VC0(V0−V)
Solution
Use the formula for charge on the plates of the capacitor. This formula gives the relation between the charge on the plates of the capacitor, capacitance of the capacitor and potential difference between the plates of the capacitor. Determine the charge on all the capacitors before and after closing the switch S. Use the law of conservation of charge and derive the expression for the capacitor C.
Formula used:
The charge Q stored on the plates of the capacitor is given by
Q=CV …… (1)
Here, C is capacitance of the capacitor and V is the potential difference between the plates of the capacitor.
Complete step by step answer:
We have given that the capacitance of the capacitor C0 has potential difference of V0.
According to equation (1), the initial charge Qi stored on the plates of the capacitor of capacitance C0 is
Qi=C0V0
When the switch S is closed, the common potential difference across the two capacitors of capacitances C0 and C is V.
We have asked to calculate the capacitance C when the switch S is closed.Hence, the charge Qf1 stored on the capacitor C0 when the switch S is closed is
Qf1=C0V
Hence, the charge Qf2 stored on the capacitor C when the switch S is closed is
Qf2=CV
According to the law of conservation of charge, the initial charge on the capacitor C0 is equal to the total charge on the capacitors C0 and C when the switch S is closed.
Qi=Qf1+Qf2
Substitute C0V0 for Qi, C0V for Qf1 and CV for Qf2 in the above equation.
C0V0=C0V+CV
⇒CV=C0V0−C0V
∴C=VC0(V0−V)
Therefore, the value of the capacitance C is VC0(V0−V).
Hence, the correct option is D.
Note: The students may not get confused that the potential difference between the two capacitors is different. But the students should keep in mind that the potential difference between the two capacitors is the same as these two capacitors are connected in parallel. Hence, we have used the same value of potential difference when the switch S is closed.
