Question
Question: A block is placed over a large plank (plank is kept on horizontal surface). The coefficient of frict...
A block is placed over a large plank (plank is kept on horizontal surface). The coefficient of friction between the block and the plank is μ=0.2.Initially both are at rest, suddenly the plank starts moving horizontally with acceleration a0=4m/s2with the help of some external force. The displacement of the block in 1s is (g=10m/s2)
A. 1mrelative to ground
B. 1mrelative to plank
C. Zero relative to plank
D. 2mrelative to ground
Solution
Concept of force and equation of motion and frictional force. As the plank moves forward due to external force, the block will move backward with respect to plank.
Formula used:
s=ut+21at2 f=μR
Complete answer:
Let us consider the plank of mass M and block of mass m.
Initially, as shown in figure (a) both are at rest.
I.e. att=0,4=0andμ=0.2
But after sometime, plank moves with an acceleration of 4m/s2.
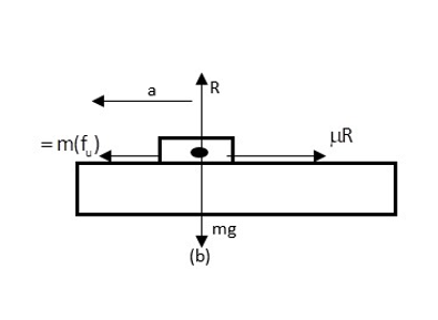
Considering the motion of block w.r.t plank as shown in figure (b) we have
4m−μR=ma...(i)
Where a is the net acceleration experience by block of mass m.
Now, reaction R balances the weight of the block.
So, R=mg
Hence, equation (i) becomes
4m−μmg=ma m(4−μg)=ma ⇒4−μg=a
As g = acceleration due to gravity
=10m/s2
And μ=coefficient of friction =0.2
⇒a=4−μg ⇒a=4−(0.2)(10)
So, acceleration becomes
a=4−2 a=2m/s2
Now, using equation of motion
s=ut2+21at2…………...(ii)
We know,
u=0m/s2 a=2m/s2 t=1sec
So, equation (ii) becomes
s=0(1)+21×2×(1)2
s=1m,relativetoplank
So, the correct answer is “Option B”.
Note:
Here we have to solve in order to get resultant force. We have taken u=0 as initially both plank and block are at rest and as block moves due to acceleration of plank, 1m is displacement w.r.t plank.
