Question
Question: A \(9V\) battery with an internal resistance of \(0.5\Omega \) is connected across an infinite netwo...
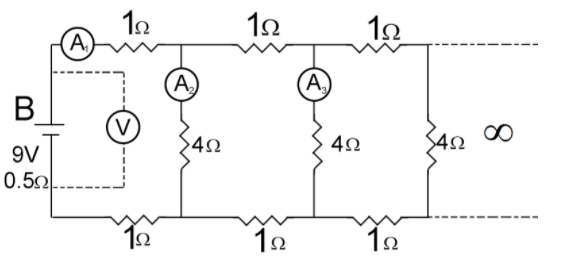
A 9V battery with an internal resistance of 0.5Ω is connected across an infinite network as shown in the figure. All ammeters A1,A2,A3 and voltmeter V are ideal. Choose the correct statement.

A.Reading of A1 is 2A .
B.Reading of V is 7V .
C.Reading of V is 9V .
D.Reading of A1 is 18A .
Solution
You can start by defining ohm’s law, voltmeter and ammeter. Then draw a new diagram of the circuit and in it replace the infinite resistors with a resistor y which will be the effective resistance of the circuit. Then given that the fact some new resistors will not change the effective resistance of the circuit significantly, you can use 1+4+y4y+1=y to find the value of y . Then use the equation I=r+RE to find the value of A1 . Then use the equation V=E−IR to find the value of V .
Complete answer:
Ohm’s law – This law defines the relationship between current and voltage. According to ohm’s law, the current flowing through a conductor is directly proportional to the voltage difference across the ends of the conductor.
I∝V
I=RV
Here I= current, V= Voltage, and R= resistance
Voltmeter – It is electrical equipment that is used to measure the potential difference between two points on an electrical circuit.
Ammeter - It is a piece of electrical equipment that is used to measure the circuit flowing two points on an electrical circuit or through a whole circuit.
In this system, we have an infinite network of resistors. An infinite network means that the addition of a few more resistors will not affect the effective resistance of the system significantly.
Let’s arrange the given circuit in the following form.

Here y is the effective resistance of the infinite system of the resistor.
The resistance of parallel resistors y and 4Ω are
4+y4y
So the total effective resistance of the circuit is equal to
1+4+y4y+1=y
4y+2(4+y)=y(4+y)
6y+8=4y+y2
y2−2y−8=0
Solving this quadratic equation
y=22±4+32
y=28
y=4Ω
For the ammeter reading that measures the total current in the circuit
I= Current through A1=r+RE=0.5+49=2A
Here, r= The internal resistance of the battery and R= effective resistance of the given circuit
For the voltmeter reading that is connected across the battery
V=E−IR=9−2×0.5
V=8V
Hence, option A is the correct choice.
Note:
In the solution above we said that 1+4+y4y+1=y is equal to the effective resistance of the circuit. This can be a bit confusing, but remember y is the result of a combination of infinite resistors, so adding a few more resistors to the circuit will not make the effective resistance significantly different. In reality, the effective resistance will change but we usually ignore it for such problems.
