Question
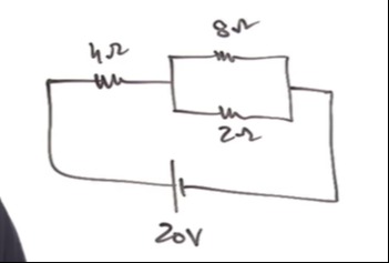
Question: The provided image shows an electrical circuit diagram. Assuming the question is to find the total c...
The provided image shows an electrical circuit diagram. Assuming the question is to find the total current drawn from the battery, the solution is as follows:

A
The total current drawn from the battery is 725A.
B
The total current drawn from the battery is 5.620A.
C
The total current drawn from the battery is 5.6A.
D
The total current drawn from the battery is 4A.
Answer
The total current drawn from the battery is 725A.
Explanation
Solution
- Calculate the equivalent resistance of the parallel combination of 8Ω and 2Ω: Rp=8Ω+2Ω8Ω×2Ω=1.6Ω.
- Calculate the total equivalent resistance of the circuit: Req=4Ω+1.6Ω=5.6Ω.
- Calculate the total current using Ohm's Law: I=ReqV=5.6Ω20V=725A.
